| 齒輪級數 | 1 | 2 | 3 | 4 |
| 減速比 | 4/6 | 16/24/36 | 64/96/144/216 | 256/384/576/864/1296 |
| 最大容許扭力(gf.cm) | 2000 | 2000 | 2000 | 2000 |
| 瞬間容許力矩(gf.cm) | 6000 | 6000 | 6000 | 6000 |
| 齒輪箱效率 | 87 | 74 | 63 | 56 |
| 長度 | 12.4 | 16.2 | 20 | 23.8 |
| 馬達(可選擇) | 直流有刷電機、直流無刷電機、步進電機 |
| 電壓(可選擇) | 3-24V |
| 輸入速度 | ≤30000rpm |
| 電流 | 250mA max |

- 驅動比
- 4/6
- 最大容許扭力(gf.cm)
- 2000
- 瞬間容許力矩(gf.cm):
- 6000
- 齒輪箱效率
- 87
- 長度
- 12.4
- 驅動比
- 16/24/36
- 最大容許扭力(gf.cm)
- 2000
- 瞬間容許力矩(gf.cm):
- 6000
- 齒輪箱效率
- 74
- 長度
- 16.2
- 驅動比
- 64/96/144/216
- 最大容許扭力(gf.cm)
- 2000
- 瞬間容許力矩(gf.cm):
- 6000
- 齒輪箱效率
- 63
- 長度
- 20
- 驅動比
- 256/384/576/864/1296
- 最大容許扭力(gf.cm)
- 2000
- 瞬間容許力矩(gf.cm):
- 6000
- 齒輪箱效率
- 56
- 長度
- 23.8
| 馬達(可選擇) | 直流有刷電機 |
| 電壓(可選擇) | 3-24V |
| 輸入速度 | ≤30000rpm |
| 電流 | 250mA max |
- 額定轉速(rpm):
- 1875
- 最高轉速(rpm):
- 7500
- 額定容許力矩(gf.cm):
- 2000
- 瞬間容許力矩(gf.cm):
- 6000
- 減速比:
- 4
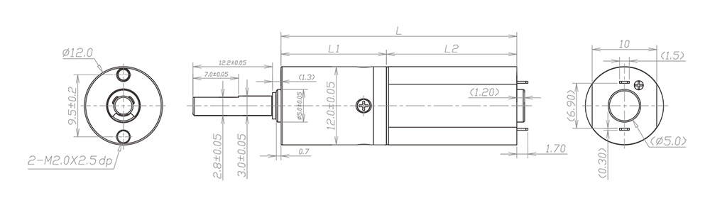
- 減速箱長L1(mm):
- 12.4
- 總長L(mm):
- 32.4
- 額定轉速(rpm):
- 1250
- 最高轉速(rpm):
- 5000
- 額定容許力矩(gf.cm):
- 2000
- 瞬間容許力矩(gf.cm):
- 6000
- 減速比:
- 6
- 減速箱長L1(mm):
- 12.4
- 總長L(mm):
- 32.4
- 額定轉速(rpm):
- 469
- 最高轉速(rpm):
- 1875
- 額定容許力矩(gf.cm):
- 2000
- 瞬間容許力矩(gf.cm):
- 6000
- 減速比:
- 16
- 減速箱長L1(mm):
- 16.2
- 總長L(mm):
- 36.2
- 額定轉速(rpm):
- 313
- 最高轉速(rpm):
- 1250
- 額定容許力矩(gf.cm):
- 2000
- 瞬間容許力矩(gf.cm):
- 6000
- 減速比:
- 24
- 減速箱長L1(mm):
- 16.2
- 總長L(mm): 36.2
- 額定轉速(rpm):
- 208
- 最高轉速(rpm):
- 833
- 額定容許力矩(gf.cm):
- 2000
- 瞬間容許力矩(gf.cm):
- 6000
- 減速比:
- 36
- 減速箱長L1(mm):
- 16.2
- 總長L(mm):
- 36.2
- 額定轉速(rpm):
- 117
- 最高轉速(rpm):
- 469
- 額定容許力矩(gf.cm):
- 2000
- 瞬間容許力矩(gf.cm):
- 6000
- 減速比:
- 64
- 減速箱長L1(mm):
- 20
- 總長L(mm):
- 40
- 額定轉速(rpm):
- 78
- 最高轉速(rpm):
- 313
- 額定容許力矩(gf.cm):
- 2000
- 瞬間容許力矩(gf.cm):
- 6000
- 減速比:
- 96
- 減速箱長L1(mm):
- 20
- 總長L(mm):
- 40
- 額定轉速(rpm):
- 52
- 最高轉速(rpm):
- 208
- 額定容許力矩(gf.cm):
- 2000
- 瞬間容許力矩(gf.cm):
- 6000
- 減速比:
- 144
- 減速箱長L1(mm):
- 20
- 總長L(mm):
- 40
- 額定轉速(rpm):
- 35
- 最高轉速(rpm):
- 139
- 額定容許力矩(gf.cm):
- 2000
- 瞬間容許力矩(gf.cm):
- 6000
- 減速比:
- 216
- 減速箱長L1(mm):
- 20
- 總長L(mm):
- 40
- 額定轉速(rpm):
- 29
- 最高轉速(rpm):
- 117
- 額定容許力矩(gf.cm):
- 2000
- 瞬間容許力矩(gf.cm):
- 6000
- 減速比:
- 256
- 減速箱長L1(mm):
- 23.8
- 總長L(mm):
- 43.8
- 額定轉速(rpm):
- 20
- 最高轉速(rpm):
- 78
- 額定容許力矩(gf.cm):
- 2000
- 瞬間容許力矩(gf.cm):
- 6000
- 減速比:
- 384
- 減速箱長L1(mm):
- 23.8
- 總長L(mm):
- 43.8
- 額定轉速(rpm):
- 13
- 最高轉速(rpm):
- 52
- 額定容許力矩(gf.cm):
- 2000
- 瞬間容許力矩(gf.cm):
- 6000
- 減速比:
- 576
- 減速箱長L1(mm):
- 23.8
- 總長L(mm):
- 43.8
- 額定轉速(rpm):
- 9
- 最高轉速(rpm):
- 35
- 額定容許力矩(gf.cm):
- 2000
- 瞬間容許力矩(gf.cm):
- 6000
- 減速比:
- 864
- 減速箱長L1(mm):
- 23.8
- 總長L(mm):
- 43.8
- 額定轉速(rpm):
- 6
- 最高轉速(rpm):
- 23
- 額定容許力矩(gf.cm):
- 2000
- 瞬間容許力矩(gf.cm):
- 6000
- 減速比:
- 1296
- 減速箱長L1(mm):
- 23.8
- 總長L(mm):
- 43.8
*以上規格數據僅供參考,如有修改恕不另行通知。
* The above specifications are subject to change without prior notice.


















